| 价格 | 1.00元 |
|---|---|
| 品牌 | 腾宇 |
| 区域 | 全国 |
| 来源 | 济宁腾宇机械设备有限公司 |
详情描述:
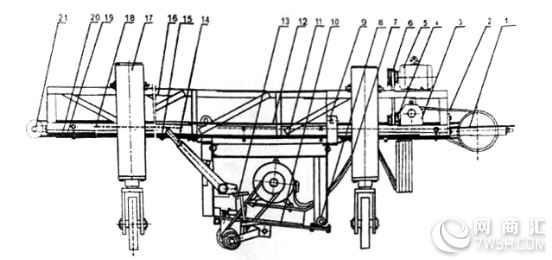
悬轨式路面刻纹机 结构示意图(1) 1、工作小车驱动轮组 2、链条 3、减速器 4、变速带轮 5、行走电机 6、V型带 7、冷却水管 8、摆动支承 9、悬挂轮 10、工作台板 11、挂线绳 12、牵引钢丝绳 13、提升钢丝绳 14、抬刀杠杆 15、定位器 16、桁架 17、行走支腿 18、导辄 19、螺旋扣 20、行程开关 21、改向轮 结构示意图(2) 22、工作小车 23、定位销 24、油杯 25、V型带 26、电器箱 27、吊环 28、导轨左右调整螺栓 29、导轨上下调整螺栓 30、刻纹电机 31、刀片 32、隔板 33、喷水管 34、轴承座 35、仿形深度调节轮 请您给予我信任!我们诚实做人,诚信经营!请信任! 悬轨式路面刻纹机 价格低不低,快来腾宇比一比. 悬轨式路面刻纹机 质量优不优,当然腾宇数. 悬轨式路面刻纹机 服务好不好,当然腾宇好 一、用途说明: 悬轨式路面刻纹机是一种用于新、旧混凝土路面刻制防滑纹的新型机械,当混凝土强度达到一定强度时,即可使用本机刻制防滑纹。 本机通过主动力源带动刀排高速旋转,利用两组刀排切割路面以达到刻纹的目的。刀排上可以配置不同数量和规格的刀片以达到不同用户的使用要求。不工作时通过抬刀杠杆使刀片脱离地面。本机轨道的直线度可调,刻纹的直线度可以得到保证,同时使用本机路面横向刻纹一次性完成无需调头操作,无需另设托架。本机专门设计了仿形支撑轮刻纹深度基本不受路面平整度的影响,整齐美观。本机使用两组刀排同时工作,施工效率明显提高。使用本机,机械化操作,减少了人为因素的影响,保证刻纹质量。 二、技术参数: 大工作长度:A型4.5m;B型8.5m;C型12m 刻纹速度:Ⅰ档2.2m/min;Ⅱ档1.8m/min;Ⅲ档1.4m/min 刻纹电机:功率7.5KW?2;电压380V;型号Y132-S2-2-B3 行走电机:功率0.55KW;电压380V;型号Y90S-6-B3 供水电机:潜水泵 三、结构及工作原理: 本机由桁架、工作小车、刻纹装置、牵引、行走、供水、电器控制等部分组成,如结构示意图所示。桁架上设有空间位置可以调整的导轨(18),调整螺栓(28)(29)可使左右导轨相互平行且与地面平行,工作小车(22)通过悬挂轮(9)悬挂在导轨上,保证刻纹的直线度、深度。 在工作小车上并排安装两套刻纹装置,每套刻纹装置上配置一组刻纹刀排(31),刀排两端分别装有刻纹深度仿形支撑轮(35),能地调整刻纹的深度,在平整度不理想的路面上,同样能制作出美观的防滑纹。工作小车通过钢丝绳(12),驱动轮组(1)、减速器(3)、变速带轮(4)、电机(5)等组成的牵引机构驱动,设有三档速度,适用于选用不同质量的刀片,在不同强度的混凝土上刻制不同深度的防滑纹。 机腿(17)装有万向行走轮,可使整机移动很方便。刀片冷却水可由增压泵供给,冷却效率高,减少刀片消耗,并可冲洗路面刻纹产生的灰浆。 四、安装 当要求刻纹宽度较大,桁架较长,为运输方便,机器以部件形式拆分,各部件安装相对位置如结构示意图1.2所示,安装过程中应注意以下事项: 1、当两节桁架(16)连接处用螺栓固定,安装后整个桁架应基本在一直线上,如有弯曲,连接处应增加垫圈调整。 2、桁架连接好后,先安装机腿,再安装工作小车,工作小车从改向轮(21)的一端推入,先推进底板有摆轴的一端。 3、牵引钢丝绳在经过主动绳轮时应多缠绕一周,通过张紧装置尽量拉紧,以增大摩擦力,保证工作速度。 4、两导轨中心距为480mm,因直线度原因调整时,两边应同时进行,使中心距保持不变。 5、增压水泵选用潜水泵,使用时放置在水容器内,水容器可放置在桁架上。 五、操作说明: 1、机器安装好后,移到要刻纹的路面上,下压抬刀杠杆(14)使刀片脱离地面,插入定位销。 2、向减速机、轴承油杯(24)和各润滑点加注机油或黄油,将潜水泵放在装满水的容器里。 3、按接线图联接行程开关,接通电源并进行试运转,刀片旋转方向向下沿朝向工作台板(10)为宜,可减少飞浆。 4、沿工作小车行走方向划一直线,调整机器使某一刀片对准直线上方,启动小车行走,检查行车轨迹的线形,必要时调整导轨位置直至满足要求。 5、根据路面刻纹宽度,调整钢丝绳上的定位器(15)位置,确定刻纹工作范围。 6、根据刻纹深度调整仿形支撑轮的高度,确定刻纹深度; 7、启动主电机(30)和冷却水泵,放下工作台板,进行切割。待工作小车停止前进,下压抬刀杠杆,抬起刀片组,将机器纵向移动到一定位置,调整设在机器两端的定位吊针,与刻制好的组的后一条防滑轮对齐并固定好。 重复上述工作过程, 即可刻出均匀一致美观的防滑纹。 8、刀片严重磨损时,卸下刀片组外侧轴承即可更换。 六、注意事项: 1、保持减速机内油量,每使用一个月后,应全部更换一次; 2、经常检查冷却水管(7)的喷水孔,如有堵塞,及时卸下两端的螺栓进行清理。 3、经常检查刀片磨损情况,及时调整仿形支撑轮的高度,保证刻纹深度,调整时应两边同时进行,保证刻纹深浅均匀。 4、更换刀片时应成组更换,不得新旧混用。 5、经常调整油杯,使轴承内充满润滑脂。 6、发现刻纹深度小于限定的深度,应调整行走电机与减速机的皮带位置,改变小车行走速度。 7、导轨上及悬挂轮表面应保持清洁,不得涂抹油脂。 8、根据现场供电情况,刻纹电机可采用分步启动方式,即待一台运转平稳后再启动另一台电机运转,降低启动电流。 济宁腾宇机械设备有限公司是一家鲁西南大的生产集销售于一体的机械设备研发公司,为您一站式为您服务!我们这里有您工程需要的所有机械设备,主要产品有(汽油、柴油)小型汽压路机,座驾式振动压路机、(1-3-3.5-5)吨座驾式振动压路机,(小、大)单轮振动压路机,修路,乡间小路、修桥、公路、机场等(汽油、电动)混凝土框架式整平机,修桥、修路、修隧道、机场等(二轴、三、四、六、)滚轴摊铺机、护坡摊铺机、法兰摊铺机,刻大马路,高速路等用大型电动悬轨刻纹机,桁架刻纹机,牛槽电动刻纹机,牧场专用刻纹机,(汽油、柴油、电动)路面切割刻纹一体机,(汽油、电动)双向、单向振动平板夯、(桥梁专用)钢绞线穿线机(电动)预应力钢绞线穿梭机、(电动汽油)手扶抹光机,环氧地坪无尘打磨机、钻坑机,割草机、(蛤蟆夯)汽油冲击夯。路面(汽油、柴油、电动)切割机、(内燃、柴油、电动)马路铣刨机、铣刨机、(汽油、电动)手扶振动尺、(汽油)沥青混凝土开槽机、清灰机、打蜡机、金刚石水磨石机、23头凿毛机。单头凿毛机,双头凿毛机,手持式3头凿毛机。本公司本着诚实守信的原则,互惠互利的精神于您携手并进,共求发展,欢迎全国各地新老客户前来电洽淡!采购。质量保证,品质卓越! 销售专员:李珍 销售热线:18366736717 销售座机:0537-7976568 在线QQ: 2950812477 电子邮件2: 2950812477@qq.com
| 联系人 | 李珍 |
|---|