WHX120减速机
发布时间 2019-04-10
收藏
分享
详情描述:
| WHX120减速机符合部颁标准JB2318-79,达到标准化、系列化的要求。适用于冶金、矿山、起重、运输、化工、建筑等各种机械设备的减速传动。本系列减速器输入功率范围在0.4-163KW之间;输入扭矩在11-2600kgf?m之间,输入轴转数一般不大于1500转/分;高速轴可正反两向运转;工作环境温度低于0℃时,起动前润滑油必须加温到0℃以上。 |
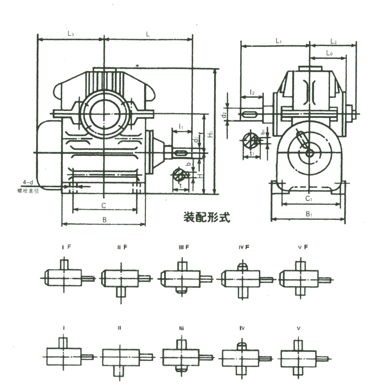
 | 型号 | a | L | L1 | L2 | L3 | L4 | H | H1 | B | B1 | C | C1 | d | d1 | d2 | b | b1 | t | t1 | I1 | I2 | 重量 kg | WHX120 | 120 | 245 | 255 | 145 | 218 | 134 | 120 | 390 | 275 | 260 | 215 | 220 | M16 | 35 | 55 | 10 | 16 | 37.8 | 58.5 | 70 | 108 | 100 | WHX125 | 125 | 235 | 235 | 145 | 225 | 134 | 125 | 400 | 270 | 270 | 210 | 230 | M16 | 35 | 55 | 10 | 16 | 37.8 | 58.5 | 58 | 82 | 103 | WHX150 | 150 | 294 | 272 | 165 | 260 | 151.5 | 150 | 480 | 320 | 300 | 250 | 250 | M20 | 40 | 65 | 12 | 18 | 42.8 | 68.9 | 90 | 108 | 143 | WHX160 | 160 | 290 | 290 | 165 | 265 | 154 | 160 | 505 | 330 | 310 | 250 | 260 | M20 | 40 | 65 | 12 | 18 | 42.8 | 68.9 | 82 | 105 | 157 | WHX180 | 180 | 375 | 295 | 180 | 314 | 169 | 180 | 574 | 385 | 335 | 305 | 285 | M20 | 45 | 70 | 14 | 20 | 49 | 77.4 | 70 | 102 | 230 | WHX200 | 200 | 360 | 345 | 195 | 365 | 184 | 200 | 628 | 430 | 360 | 330 | 310 | M20 | 50 | 80 | 16 | 24 | 53.5 | 85 | 82 | 130 | 316 | WHX210 | 210 | 390 | 375 | 200 | 370 | 191 | 200 | 651.5 | 440 | 385 | 350 | 325 | M24 | 50 | 80 | 16 | 24 | 53.5 | 85 | 110 | 168 | 326 | WHX250 | 250 | 430 | 370 | 220 | 430 | 209 | 220 | 748 | 520 | 420 | 410 | 360 | M24 | 60 | 90 | 18 | 24 | 63.9 | 95 | 105 | 130 | 445 | WHX280 | 280 | 485 | 430 | 245 | 485 | 233 | 250 | 838 | 610 | 470 | 480 | 400 | M24 | 60 | 100 | 18 | 28 | 63.9 | 105.7 | 105 | 165 | 600 | WHX300 | 300 | 540 | 465 | 250 | 520 | 236 | 260 | 900.5 | 630 | 480 | 510 | 410 | M30 | 70 | 100 | 20 | 28 | 74.2 | 105.7 | 140 | 208 | 693 | WHX320 | 320 | 525 | 455 | 265 | 525 | 256 | 280 | 953 | 680 | 520 | 550 | 440 | M30 | 70 | 110 | 20 | ?32 | 74.2 | 116.5 | 105 | 165 | 810 | WHX360 | 360 | 565 | 470 | 280 | 565 | 271 | 300 | 1055 | 750 | 570 | 600 | 480 | M30 | 70 | 120 | 20 | 32 | 74.2 | 126.5 | 105 | 165 | 1035 | WHX400 | 400 | 630 | 525 | 300 | 605 | 291 | 320 | 1155 | 820 | 610 | 660 | 520 | M30 | 80 | 130 | 24 | 36 | 85 | 137.2 | 130 | 200 | 1470 | WHX420 | 420 | 685 | 550 | 300 | 665 | 295 | 340 | 1215 | 850 | 585 | 720 | 515 | M30 | 80 | 120 | 24 | 36 | 95 | 147.2 | 170 | 238 | 1500 | WHX450 | 450 | 680 | 560 | 325 | 670 | 319 | 355 | 1295 | 910 | 670 | 730 | 570 | M36 | 80 | 150 | 24 | 40 | 85 | 158.5 | 130 | 200 | 1860 | WHX500 | 500 | 730 | 625 | 355 | 725 | 348 | 400 | 1435 | 1000 | 730 | 810 | 620 | M36 | 90 | 170 | 24 | 40 | 95 | 178.5 | 130 | 240 | 2410 |
| | | | 二、减速器的传动比及输入功率表 | 传 动 比 代 号 | 公 称 传 动 比 | 中心距→
输入 转速↓ | 80 | 100 | 120 | 125 | 150 | 160 | 180 | 200 | 210 | 250 | 280 | 300 | 320 | 360 | 400 | 420 | 450 | 500 | 1 | 8 | 1500 | 2.5 | 4.5 | 7.23 | 10.1 | 13.4 | 19.9 | 22.7 | 29.8 | 31.5 | 46.1 | 54.4 | 68.9 | 70.4 | 87.1 | 110 | 161 | _ | _ | 1000 | 2.1 | 3.9 | 5.28 | 8.0 | 9.77 | 16.1 | 17.7 | 24.7 | 27.9 | 41.5 | 50.5 | 57.4 | 64.4 | 80.5 | 103 | 117 | 128 | 163 | 750 | 1.9 | 3.5 | 4.22 | 6.6 | 7.76 | 13.4 | 14.4 | 20.8 | 23 | 35.6 | 44.3 | 46.2 | 57.9 | 73.8 | 94.6 | 97.7 | 119 | 154 | 500 | 1.5 | 2.9 | 3.06 | 5.0 | 5.56 | 10.3 | 10.03 | 16.1 | 17.1 | 27.8 | 35.1 | 37.5 | 45.3 | 59.6 | 77.7 | 86.8 | 101 | 138 | 2 | 10 | 1500 | 2.0 | 3.8 | 5.98 | 9.4 | 11.5 | 16.4 | 20.3 | 26.7 | 27.7 | 39.7 | 48.2 | 53.8 | 59.8 | 76.2 | 97.3 | 138 | _ | _ | 1000 | 1.7 | 3.3 | 4.29 | 7.4 | 8.14 | 13.2 | 15.4 | 22.4 | 23.5 | 34.1 | 41.6 | 43.6 | 53.8 | 68.8 | 88.6 | 98.2 | 111 | 146 | 750 | 1.5 | 2.9 | 3.41 | 6.1 | 6.47 | 11.1 | 12.68 | 19.1 | 20.1 | 29.3 | 36.3 | 38.3 | 47.6 | 61.2 | 79.1 | 80.5 | 98.5 | 131 | 500 | 1.3 | 2.4 | 2.46 | 4.7 | 4.97 | 8.5 | 9.87 | 14.7 | 15.7 | 23.1 | 28.8 | 30.8 | 37.7 | 49.2 | 64.8 | 65.6 | 82.5 | 111 | 3 | 12.5 | 1500 | 1.6 | 2.8 | 4.84 | 8.1 | 8.81 | 14.9 | 16.4 | 20.0 | 22 | 32.9 | 43.1 | 47.1 | 61.6 | 73.2 | 89.3 | 124 | _ | _ | 1000 | 1.4 | 2.4 | 3.57 | 6.3 | 6.49 | 11.9 | 12.2 | 16.2 | 18.2 | 27.6 | 37.5 | 39.5 | 53.5 | 65.8 | 80.5 | 88.5 | 105 | 127 | 750 | 1.2 | 2.1 | 2.87 | 5.2 | 5.36 | 10.0 | 11.1 | 13.5 | 15.5 | 23.4 | 32.7 | 35.7 | 46.5 | 58.8 | 71.8 | 75.5 | 95.3 | 116 | 500 | 1.0 | 1.7 | 2.06 | 3.9 | 4.26 | 7.6 | 8.6 | 10.4 | 11.4 | 18.2 | 25.6 | 28.6 | 36.1 | 47.0 | 57.4 | 58.4 | 78.2 | 96.8 | 4 | 16 | 1500 | 1.6 | 3.0 | 4.41 | 6.5 | 8.22 | 12.8 | 15.8 | 19.2 | 21.2 | 29.9 | 35.6 | 38.6 | 46.0 | 62.7 | 71.9 | 92.9 | _ | _ | 1000 | 1.3 | 2.7 | 3.27 | 5.1 | 6.25 | 10.3 | 12.2 | 15.8 | 17.8 | 26.3 | 32.1 | 35.1 | 41.0 | 52.0 | 66.5 | 75.8 | 83.4 | 106 | 750 | 1.2 | 2.3 | 2.63 | 4.3 | 5.03 | 8.6 | 10.3 | 13.4 | 14.4 | 22.7 | 27.9 | 30.9 | 36.5 | 47.1 | 60.8 | 64.8 | 76.7 | 99.6 | 500 | 1.0 | 1.9 | 1.92 | 3.3 | 3.62 | 6.6 | 8.25 | 10.3 | 11.1 | 17.7 | 22.3 | 25.3 | 28.7 | 37.4 | 49.0 | 50.1 | 63.3 | 84.2 | 5 | 20 | 1500 | 1.3 | 2.2 | 3.65 | 6.0 | 6.52 | 10.3 | 11.4 | 15.5 | 16.5 | 25.0 | 23.1 | 26.1 | 41.3 | 49.1 | 69.4 | 89.8 | _ | _ | 1000 | 1.1 | 1.9 | 2.70 | 4.8 | 5.08 | 8.1 | 8.53 | 12.5 | 13.5 | 21.3 | 29.1 | 32.1 | 37.2 | 44.2 | 61.9 | 64.4 | 64.9 | 81.2 | 750 | 1.0 | 1.6 | 2.14 | 3.9 | 4.24 | 6.7 | 7.06 | 10.5 | 11.5 | 18.1 | 25.3 | 28.3 | 31.3 | 38.6 | 55.5 | 57.5 | 58.0 | 73.2 | 500 | 0.8 | 1.3 | 1.59 | 3.0 | 3.5 | 5.2 | 5.79 | 8.1 | 9.1 | 14.1 | 19.9 | 22.9 | 24.5 | 30.4 | 44.2 | 47.5 | 46.2 | 59.7 | 6 | 25 | 1500 | 1.0 | 1.9 | 3.16 | 4.6 | 5.56 | 8.4 | 12.2 | 14.3 | 15.3 | 20.8 | 24.7 | 27.7 | 34.8 | 43.4 | 50.9 | 80.1 | _ | _ | 1000 | 0.8 | 1.7 | 2.37 | 3.6 | 4.11 | 6.5 | 9.5 | 11.5 | 12.5 | 16.8 | 20.4 | 23.4 | 29.5 | 38.3 | 45.6 | 55.9 | 631 | 71.4 | 750 | 0.7 | 1.4 | 1.88 | 2.9 | 3.26 | 5.4 | 5.9 | 9.6 | 10.6 | 14.1 | 17.2 | 19.2 | 25.1 | 32.8 | 39.9 | 43.4 | 56.1 | 63.6 | 500 | 0.6 | 1.2 | 1.37 | 2.2 | 2.34 | 4.2 | 4.9 | 7.4 | 8.4 | 10.9 | 13.5 | 16.5 | 19.5 | 25.8 | 31.4 | 33.4 | 44.7 | 50.5 | 7 | 31.5 | 1500 | 1.2 | 2.1 | 2.54 | 4.4 | 4.86 | 8.6 | 10.6 | 12.8 | 13.8 | 19.8 | 23.2 | 26.2 | 30.2 | 37.1 | 46.9 | 64.1 | _ | _ | 1000 | 1.0 | 1.8 | 1.91 | 3.5 | 3.91 | 6.9 | 8.3 | 10.5 | 11.5 | 17.4 | 21.6 | 24.6 | 26.6 | 33.9 | 43.3 | 45.5 | 54.5 | 68.5 | 750 | 0.9 | 1.6 | 1.55 | 2.9 | 3.31 | 5.8 | 7.21 | 8.9 | 9.8 | 15.1 | 18.3 | 21.3 | 23.9 | 30.7 | 39.5 | 41.5 | 50.0 | 64.5 | 500 | 0.7 | 1.4 | 1.13 | 2.3 | 2.86 | 4.5 | 5.05 | 7.0 | 7.9 | 11.8 | 14.6 | 17.6 | 18.9 | 24.5 | 32.0 | 34.8 | 41.1 | 54.6 | 8 | 40 | 1500 | 0.9 | 1.5 | 2.16 | 4.1 | 4.9 | 6.9 | 7.45 | 10.5 | 11.5 | 16.8 | 22.0 | 24 | 27.3 | 32.4 | 45.4 | 55.1 | _ | _ | 1000 | 0.8 | 1.3 | 1.62 | 3.2 | 3.9 | 5.5 | 5.83 | 8.4 | 9.4 | 14.2 | 19.4 | 21 | 24.0 | 28.9 | 40.8 | 42.8 | 42.2 | 52.8 | 750 | 0.7 | 1.2 | 1.32 | 2.7 | 3.1 | 4.6 | 5.94 | 7.1 | 8.1 | 12.0 | 16.7 | 18.7 | 20.7 | 25.4 | 26.2 | 30.6 | 37.8 | 47.8 | 500 | 0.6 | 1.0 | 0.98 | 2.1 | 2.6 | 3.6 | 4.79 | 5.5 | 6.5 | 9.5 | 13.2 | 14.5 | 16.3 | 20.3 | 24.0 | 29.9 | 30.3 | 39.0 | 9 | 50 | 1500 | 0.7 | 1.3 | 1.86 | 3.1 | 3.21 | 5.7 | 7.21 | 9.8 | 10.8 | 14.0 | 16.5 | 18.5 | 23.2 | 28.8 | 33.7 | 45 | _ | _ | 1000 | 0.6 | 1.2 | 1.37 | 2.5 | 2.7 | 4.5 | 5.8 | 7.8 | 8.9 | 11.4 | 13.8 | 15.8 | 19.5 | 25.3 | 30.0 | 32 | 41.7 | 47.0 | 750 | 0.5 | 1.0 | 1.12 | 2.0 | 2.4 | 3.7 | 4.1 | 6.7 | 7.7 | 9.5 | 11.7 | 14.5 | 16.8 | 21.8 | 26.3 | 27.2 | 37.4 | 41.8 | 500 | 0.4 | 0.8 | 0.85 | 1.6 | 1.82 | 2.9 | 3.5 | 5.2 | 6.2 | 7.5 | 9.1 | 10.9 | 13.1 | 17.2 | 21.2 | 22.3 | 29.8 | 33.3 |
|
|